Aeromotive Tool Balancers from Spring Balancers

Technical Drawings

TECHNICAL DRAWINGS

 

 

pdf Type 7200


Click to enlarge

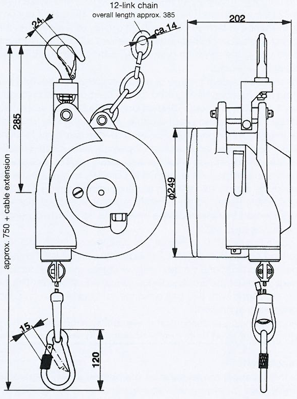
pdf Type 7211 / 7212


Click to enlarge

pdf Type 7221 / 7222


Click to enlarge

pdf Type 7228

 


Click to enlarge

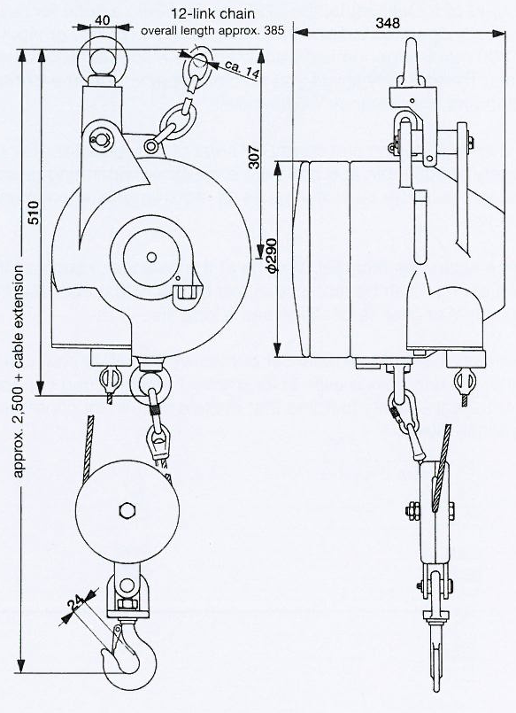
pdf Type 7230 / 7231


Click to enlarge

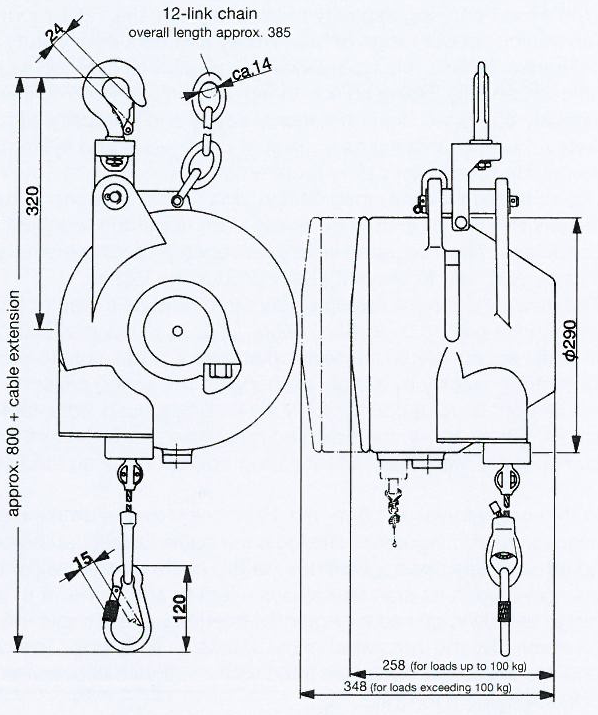
pdf Type 7235 / 7236


Click to enlarge

pdf Type 7241


Click to enlarge

pdf Type 7248


Click to enlarge

pdf Type 7251


Click to enlarge

pdf Type 7261


Click to enlarge

pdf Type 7223 Air Hose

 

 


Click to enlarge

pdf Type 7221 / 7222 Air Hose


Click to enlarge

pdf Type 7211 / 7212 Air Hose


Click to enlarge